Connexion
Espace pro
À propos
Boutique
Contact
Espace pro
Connexion
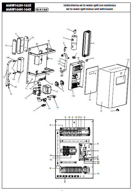
REPORT AFFICHAGE CONEX INVERTER V5.4
Ref: 001700-
Dispo 1 semaine
2 195,03 €
TTC
Ajouter au panier
Machine
80AWH104
Voir toutes les pièces de 80AWH104
Réinitialiser
Pièces climatisations CARRIER
×
Ajouter au panier