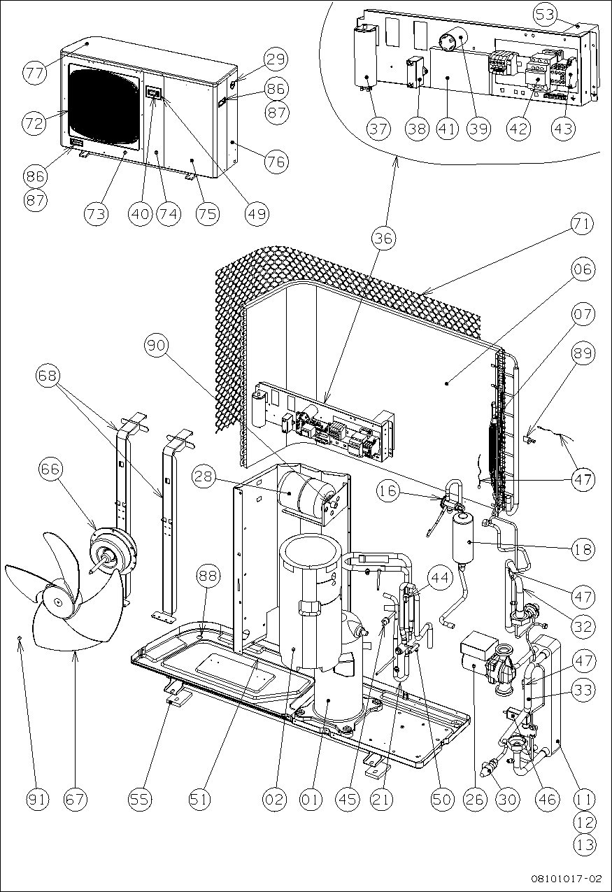
PLATINE ELEC.COMPL. 7-8KW SOFT
Ref: 6706000122

Non disponible
1 144,67 € TTC

Demande de dispo

Emplacement: 36

Voir toutes les pièces de PHR085FAB
Pièces climatisations TECHNIBEL NIBE